西門子200smart用MODBUS485讀取絕對值編碼器30002的值
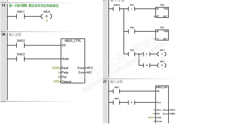
1.用第一個程序單獨讀取地址為30002的值,為什么無法讀取,報錯3,超時,程序幫忙看下
2.用第2個程序也不行,求大神指點
問題補充:程序圖片
圖片說明:
接收超時:在超時時間內從站沒有做出響應。可能原因為:與從站設備的電氣連接存在問題、主站和從站的波特率/奇偶校驗的設置不同、從站地址錯誤。
根據上面超時解釋去查找原因,估計不能用30002,應該是40002才對。30002是輸入寄存器,40002保持寄存器。
MODBUS RTU通信_S7-200 SMART:
http://www.ad.siemens.com.cn/productportal/prods/s7-200-smart-portal/200smarttop/smartsms/020.html
補充問題回答:
你絕對編碼器通訊格式是19200,8 ,偶 1嗎?你查一下通訊格式是否一致,還有接下是否正確,再就是讀取的地址是否正確,你這樣將這幾個問題一一排查就應該有結果。
Modbus RTU 主站:
西門子在 STEP 7-Micro/WIN SMART 中正式推出 Modbus RTU 主站協議庫(西門子標準庫指令)。

圖 1. 西門子標準指令庫(STEP 7-Micro/WIN SMART)
注意:
1. Modbus RTU 主站指令庫的功能是通過在用戶程序中調用預先編好的程序功能塊實現的,該庫對 CPU 集成的 RS 485 通訊口 和 CM 01 信號板有效。該指令庫將設置通信口工作在自由口模式下。
2. Modbus RTU 主站指令庫使用了一些用戶中斷功能,編其他程序時不能在用戶程序中禁止中斷。
3. Modbus RTU 主站指令庫不能同時應用于CPU 集成的 RS 485 通訊口 和 CM 01 信號板。
使用 Modbus RTU 主站指令庫,可以讀寫 Modbus RTU 從站的數字量、模擬量 I/O 以及保持寄存器。
1. 調用 Modbus RTU 主站初始化和控制子程序
使用 SM0.0 調用 MBUS_CTRL 完成主站的初始化,并啟動其功能控制:

圖 2. 用 SM0.0 調用 Modbus RTU 主站初始化與控制子程序
各參數意義如下:
|
a.
|
EN
|
使能:
|
必須保證每一掃描周期都被使能(使用 SM0.0)
|
|---|---|---|---|
|
b.
|
Mode
|
模式:
|
為 1 時,使能 Modbus 協議功能;為 0 時恢復為系統 PPI 協議
|
|
c.
|
Baud
|
波特率:
|
支持的通訊波特率為1200,2400,4800,9600,19200,38400,57600,115200。
|
|
d.
|
Parity
|
校驗:
|
校驗方式選擇
|
|
0=無校驗
|
|||
|
1=奇較驗
|
|||
|
2=偶較驗
|
|||
| e. |
Port
|
端口號: |
0 = CPU 集成的 RS 485 通訊口 ; 1 = 可選 CM 01 信號板 。
|
|
f.
|
Timeout
|
超時:
|
主站等待從站響應的時間,以毫秒為單位,典型的設置值為 1000 毫秒(1 秒),允許設置的范圍為 1 - 32767。
|
|
|
|||
|
g.
|
Done
|
完成位:
|
初始化完成,此位會自動置1。可以用該位啟動 MBUS_MSG 讀寫操作(見例程)
|
|
h.
|
Error
|
|
初始化錯誤代碼(只有在 Done 位為1時有效):
|
|
0= 無錯誤
|
|||
|
1= 校驗選擇非法
|
|||
|
2= 波特率選擇非法
|
|||
|
3= 超時無效
|
|||
|
4= 模式選擇非法
|
|||
|
9= 端口無效
|
|||
|
10= 信號板端口 1 缺失或未組態
|
|||
2. 調用 Modbus RTU 主站讀寫子程序MBUS_MSG,發送一個Modbus 請求;

圖 3. 調用Modbus RTU 主站讀寫子程序
各參數意義如下:
|
a.
|
EN
|
使能:
|
同一時刻只能有一個讀寫功能(即 MBUS_MSG)使能
|
|---|---|---|---|
|
|
|||
|
b.
|
First
|
讀寫請求位:
|
每一個新的讀寫請求必須使用脈沖觸發
|
|
c.
|
Slave
|
從站地址:
|
可選擇的范圍 1 - 247
|
|
d.
|
RW
|
讀寫請求:
|
0 = 讀, 1 = 寫
|
|
|
|||
|
1. 開關量輸出和保持寄存器支持讀和寫功能
|
|||
|
2. 開關量輸入和模擬量輸入只支持讀功能
|
|||
|
e.
|
Addr
|
讀寫從站的
|
選擇讀寫的數據類型
|
|
|
|
數據地址:
|
00001 至 0xxxx - 開關量輸出
|
|
10001 至 1xxxx - 開關量輸入
|
|||
|
30001 至 3xxxx - 模擬量輸入
|
|||
|
40001 至 4xxxx - 保持寄存器
|
|||
|
f.
|
Count
|
數據個數
|
通訊的數據個數(位或字的個數)
|
|
|
|||
|
g.
|
DataPtr
|
數據指針:
|
1. 如果是讀指令,讀回的數據放到這個數據區中
|
|
2. 如果是寫指令,要寫出的數據放到這個數據區中
|
|||
|
h.
|
Done
|
完成位
|
讀寫功能完成位
|
|
i.
|
Error
|
錯誤代碼:
|
只有在 Done 位為1時,錯誤代碼才有效
|
|
0 = 無錯誤
|
|||
|
1 = 響應校驗錯誤
|
|||
|
2 = 未用
|
|||
|
3 = 接收超時(從站無響應)
|
|||
|
4 = 請求參數錯誤(slave address, Modbus address, count, RW)
|
|||
|
5 = Modbus/自由口未使能
|
|||
|
6 = Modbus正在忙于其它請求
|
|||
|
7 = 響應錯誤(響應不是請求的操作)
|
|||
|
8 = 響應CRC校驗和錯誤
|
|||
|
-
|
|||
|
101 = 從站不支持請求的功能
|
|||
|
102 = 從站不支持數據地址
|
|||
|
103 = 從站不支持此種數據類型
|
|||
|
104 = 從站設備故障
|
|||
|
105 = 從站接受了信息,但是響應被延遲
|
|||
|
106 = 從站忙,拒絕了該信息
|
|||
|
107 = 從站拒絕了信息
|
|||
|
108 = 從站存儲器奇偶錯誤
|
|||
常見的錯誤:
- 如果多個 MBUS_MSG 指令同時使能會造成 6 號錯誤
- 從站 delay 參數設的時間過長會造成主站 3 號錯誤
- 從站掉電或不運行,網絡故障都會造成主站 3 號錯誤
3. 在 CPU 的 V 數據區中為庫指令分配存儲區(Library Memory)
Modbus Master 指令庫需要一個286個字節的全局 V 存儲區。調用STEP 7 - Mciro/WIN SMART Instruction Library(指令庫)需要分配庫指令數據區(Library Memory)。庫指令數據區是相應庫的子程序和中斷程序所要用到的變量存儲空間。
如果在編程時不分配庫指令數據區,編譯時會產生許多相同的錯誤。
操作步驟:
1)在指令樹的Project(項目)中,以鼠標右鍵單擊Program Block(程序塊),在彈出的快捷菜單中選擇Library Memory。如圖4所示:

圖4. “庫存儲器”按鈕
2)在彈出的選項卡中設置庫指令數據區,如圖5所示:

圖5. 缺省情況下是從VB0開始,但要保證該存儲器使用地址范圍與其他程序使用的地址不能有重疊。按“建議地址”按鈕也可以自動分配。
可以使用 “建議地址” 設置數據區,但要注意編程軟件設置的數據區地址,只考慮到了其他一般尋址,而未考慮到諸如Modbus數據保持寄存器區等的設置。應當確保不與其他任何已使用的數據區重疊、沖突。不應重復按 “建議地址” 按鈕,否則也會造成混亂。
Modbus 地址
通常 Modbus 地址由 5 位數字組成,包括起始的數據類型代號,以及后面的偏移地址。Modbus Master 協議庫把標準的 Modbus 地址映射為所謂 Modbus 功能號,讀寫從站的數據。Modbus Master 協議庫支持如下地址:
Modbus Master 協議庫支持的功能
為了支持上述 Modbus 地址的讀寫,Modbus Master 協議庫需要從站支持下列功能:
表 1. 需要從站支持的功能
| Modbus 地址 | 讀/寫 | Modbus 從站須支持的功能 |
|---|---|---|
|
00001 - 09999 數字量輸出 |
讀 | 功能 1 |
| 寫 |
功能 5:寫單輸出點 功能 15:寫多輸出點 |
|
|
10001 - 19999 數字量輸入 |
讀 | 功能 2 |
| 寫 | - | |
|
30001 - 39999 |
讀 | 功能 4 |
| 寫 | - | |
|
40001 - 49999 保持寄存器 |
讀 | 功能 3 |
| 寫 |
功能 6:寫單寄存器單元 功能 16:寫多寄存器單元 |
Modbus 地址和 S7-200 SMART 存儲區地址的映射
S7-200 SMART 通過 Modbus Master 和 Slave 協議庫通信時,Modbus 地址和 S7-200 SMART CPU內存儲區地址的 映射關系都類似。
Modbus 保持寄存器地址映射舉例:
|
Modbus 保持寄存器地址
|
|
S7-200 SMART 存儲區字尋址
|
|
S7-200 SMART 存儲區字節尋址
|
Modbus 數字量地址映射舉例:
位地址(0xxxx 和 1xxxx)數據總是以字節為單位打包讀寫。第一個字節中的最低有效位對應 Modbus 地址的起始地址。如下圖所示:
圖6 . 數字量地址映射舉例
為了更好地理解 Modbus 主站的編程,可參考下面的輪詢例程。
注意:
1. 該例程使用 STEP 7-Micro/WIN SMART 編寫,針對端口0。
2. 該例程僅訪問一個從站,多個MBUS_MSG指令輪詢執行,若訪問不同的從站,可通過改變從站地址來實現。
通訊報警3#,可能的原因是外部連接問題,如、通訊極性連接不正確,3、8端子對換一下看看。
注意:此指令庫/程序的作者和擁有者對于該軟件的功能性和兼容性不負任何責任。使用該軟件的風險完全由用戶自行承擔。由于它是免費的,所以不提供任何擔保,錯誤糾正和熱線支持,用戶不必為此聯系西門子技術支持與服務部門。
S7-200Smart采用RS485接口走Modbus RTU協議讀取編碼器的實際值,應該使用讀保持性寄存器功能碼。在使用MBUS_MSG指令時Addr參數應該賦值以4開頭的地址(40002)而不是你上面的30002(模擬量輸入),而且是以十進制表示的。關于究竟是使用30002,還是40002應該看編碼器的說明書的描述。
第二個要注意,西門子是從1開始編址的,而莫迪康、羅克韋爾等是從0開始編址的,使用這類產品需要在莫迪康、羅克韋爾說明書上注明的地址上加1再賦值給西門子指令。
詳細內容請參考:S7-200Smart Modbus RTU通信
http://www.ad.siemens.com.cn/productportal/prods/s7-200-smart-portal/200smarttop/smartsms/020.html
從你補充的圖片上看,兩者只是改變了觸發脈沖的來源,最多4個字節32位的編碼器數據,兩種脈沖頻率(1秒、0.2s內均可處理完一次讀寫)均不會造成MBUS_MSG上一次的還沒處理完而下一次請求就來的沖突(錯誤代碼6:Modbus 正忙于處理另一請求)。
第二個從你圖片來看,你對絕對值編碼器的數據是1個字,還是2個字,存在疑慮(左圖使用count=2,而右圖又用count=1)建議你還是仔細讀讀編碼器的說明書。
至于報錯誤3,也可能存在RS485接口連接問題,西門子通常使用A、B來標識其端子,而其他公司可能用RS485+\RS485-來描述,要理解對應關系西門子的A代表RS485-、B代表RS485+。也可能存在都用A、B定義但極性恰好相反。可以試著交換一下兩個端子的接線。也希望重視產品說明書中的有關描述。
電話:13818569113 15721373211
郵箱:fushidianji@139.com
網址:http://morethanzerosum.com
地址:上海青浦區北青公路7171號111-112室