SBOBET登录地址

歡迎光臨入喜工業控制技術(上海)有限公司
當前位置
首頁 > 新聞中心
熱電阻模塊6ES7 331-7PF01-0AB0在TIA中的組態及使用
2020/12/15 19:38:53

熱電阻/熱電偶模塊在TIA中的使用

本文檔簡要介紹在TIA博途環境下,熱電阻和熱電偶模塊的組態及使用方法。

熱電阻模塊6ES7 331-7PF01-0AB0在TIA中的組態及使用

熱電偶模塊6ES7 331-7PF11-0AB0在TIA中的組態及使用

熱電阻模塊6ES7 331-7PF01-0AB0在TIA中的組態及使用

1.概述

SIMATIC S7- 300 系列產品支持熱電阻溫度檢測,并配有專門的熱電阻檢測模塊SM331(6ES7 331-7PF01-0AB0),可以測量多種規格的熱電阻信號。該模塊支持兩線制、三線制以及四線制熱電阻接法。該模塊支持4組8通道輸入,每個通道組的測量類型、測量范圍可任意選擇,精度可以達到15位+符號位。

本文介紹了熱電阻專有模塊SM331(6ES7 331-7PF01-0AB0)在TIA 環境下的組態及使用。 ?

2.硬件接線

2.1 熱電阻接線

如圖1所示,熱電阻支持兩線制、三限制、四線制接法。

三線制:柜內短接 M+ 和 IC+,務必始終將 IC- 和 M- 電纜直接連接至熱電阻。

兩線制:柜內短接接 M+ 和 IC+ 以及 M- 和 IC-


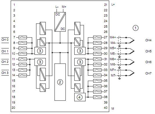
圖1 接線圖和方框圖

① 4線制熱電阻

② 3線制熱電阻

③ 2線制熱電阻

④ 數模轉換器

⑤ 背板總線接口

⑥ 模數轉換器 (ADC)

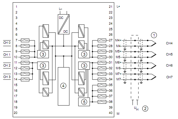
2.2 未使用通道處理

如圖2所示,請將未使用通道短路或將其連接到額定范圍內的電阻,以禁用診斷功能。


圖2 未使用通到處理

3.組態設置

3.1 創建PLC項目

在STEP7 V14中創建一個項目并插入CPU 317站。(具體步驟請參見文檔:CPU硬件組態入門)

3.2 硬件組態

1. 進入設備視圖,選中4#槽位,在右側"硬件目錄 > AI > AI 8xRTD"內找到模塊雙擊。


圖3 添加模塊

2. 進入設備視圖,雙擊模塊進入組態界面,在通道組內設置通道的測量類型與測量范圍


圖4 模塊組態

3. 確認通道地址


圖5 確認通道地址

4.軟件編程

打開程序,在右側按如下路徑找到:"指令 > 基本指令 > 轉換指令 > CONV"。雙擊"CONV"指令,先將PIW通道值轉換為雙整數(DINT),再將雙整數(DINT)轉換為實數(REAL),最后將實數(REAL)除以10.0(100.0),即可得到實際溫度,程序如下圖。


圖 6 編程

使用熱電阻專用模塊,其實際檢測溫度值的處理與選擇的測量范圍相關:

氣候型:當前通道值除以100.0

標準型:當前通道值除以10.0

GOST:當前通道值除以10.0

熱電偶模塊6ES7 331-7PF11-0AB0在TIA中的組態及使用

1.概述

SIMATIC S7- 300 系列產品支持熱電偶溫度檢測,并配有專門的熱電偶檢測模塊SM331(6ES7 331-7PF11-0AB0),可以測量多種規格的熱電偶信號。該模塊支持內部補償與外部補償。該模塊支持4組8通道輸入,每個通道組的測量類型、測量范圍可任意選擇,精度可以達到15位+符號位。

本文介紹了熱電偶專有模塊SM331(6ES7 331-7PF11-0AB0)在TIA 環境下的組態及使用。 ?

2.硬件接線

2.1 模塊支持的熱電偶

SM331(6ES7 331-7PF11-0AB0)所支持的熱電偶如表3所示

型號

測溫范圍

型號

測溫范圍

B

01820

J

-210℃~1200℃

C

0℃~2315℃

L

-200℃~900℃

N

-270℃~1300℃

T

-270℃~400℃

E

-270℃~1000℃

K

-270℃~1372℃

R

-50℃~1768.1℃

U

-200℃~600℃

S

-50℃~1768.1℃

Txk/xk

-200℃~-150℃

 3熱電偶及測溫范圍

2.2 通過基準結的熱電偶

如圖7所示,熱電偶可通過調節為0℃或50℃的基準結接線,所有8個輸入通道都可以作為測量通道使用


圖7 基準結接線圖和方框圖

① 通過基準結的熱電偶

② 基準結調節為℃或50℃

③ 模數轉換器 (ADC)

④ 背板總線接口

⑤ 外部冷端比較

2.3 外部補償的熱電偶

如圖8所示,基準結上端子的溫度由溫度范圍為 -25°C 到 85°C 的熱電阻 Pt 100確定(請參見端子 35 到 38)。


圖8 外部補償接線圖和方框圖

① 帶外部補償的熱電偶

② 背板總線接口

③ 模數轉換器 (ADC)

④ 背板總線接口

2.4 內部補償的熱電偶

如圖9所示,將熱電偶直接接入基準結上。


圖9 內部補償接線圖和方框圖

① 內部補償的熱電偶

② 背板總線接口

③ 模數轉換器 (ADC)

④ 背板總線接口

3.組態設置

3.1 創建PLC項目

在STEP7 V14中創建一個項目并插入CPU 317站。(具體步驟請參見文檔:CPU硬件組態入門)

3.2 硬件組態

1. 進入設備視圖,選中4#槽位,在右側"硬件目錄 > AI > AI 8xTC"找到模塊雙擊。


圖10 添加模塊

2. 進入設備視圖,雙擊模塊進入組態界面,在通道組內設置通道的測量類型與測量范圍


圖 11 模塊組態

3. 確認通道地址


圖 12 確認通道地址

4.軟件編程

打開程序,在右側按如下路徑找到:"指令 > 基本指令 > 轉換指令 > CONV"。雙擊"CONV"指令,先將PIW通道值轉換為雙整數(DINT),再將雙整數(DINT)轉換為實數(REAL),最后將實數(REAL)除以10.0,即可得到實際溫度,程序如下圖。


圖 13 編程

使用熱電偶專用模塊,其實際檢測溫度值等于當前通道值除以10.0

聯系方式
CONTACT US

電話:13818569113      15721373211

郵箱:fushidianji@139.com

網址:http://morethanzerosum.com

地址:上海青浦區北青公路7171號111-112室

用手機掃描二維碼關閉
Link: JD体育反波胆,JD反波胆俱乐部官方网站,JD反波胆|football lay bet | JD体育反波胆平台| JD体育俱乐部反波胆,JD反波胆有限公司,JD Sports Global | JD Sportbook Taruhanlawan,JD体育反波胆官网,JD国际反波胆 | JD Sports Global有限公司,JD亚洲国际体育反波胆,JD Sportbook Taruhanlawan | JD体育 Sports Global反波胆APP下载 | JD体育反波胆俱乐部官方网站| JD亚洲国际体育反波胆| JD体育俱乐部(反波胆)有限公司| JD国际体育反波胆,JD体育反波胆APP下载,JD体育反波胆投资官网 | JD亚洲国际体育反波胆| JD体育反波胆,JD反波胆|Sportbook Taruhanlawan,JD反波胆|football lay bet | JD体育反波胆APP下载| JD体育(亚洲)有限公司|JD Sports Global | JD Sports Global,JD亚洲国际体育反波胆,JD体育反波胆平台 | sbobet登陆平台| JD体育俱乐部反波胆| JD Sports Global,JD亚洲国际体育反波胆,JD体育反波胆平台 | JD Sports Global反波胆APP下载,JD体育反波胆官网,JD反波胆俱乐部APP下载 | JD国际体育反波胆,JD体育反波胆APP下载,JD体育反波胆投资官网 | JD体育反波胆平台入口,JD反波胆俱乐部APP下载,JD国际体育反波胆 JD Sports Global,JD亚洲国际体育反波胆,JD体育反波胆平台 | JD体育反波胆,JD反波胆|Sportbook Taruhanlawan,JD反波胆|football lay bet | JD体育反波胆投资官网,JD国际(反波胆)有限公司,JD反波胆APP下载 JD体育反波胆官网,JD亚洲国际,JD国际(反波胆)有限公司 | JD国际体育反波胆,JD体育反波胆APP下载,JD体育反波胆投资官网 | SBOBET利记集团有限公司| JD Sports Global有限公司,JD亚洲国际体育反波胆,JD Sportbook Taruhanlawan | JD体育俱乐部(反波胆)有限公司| JD体育-JD Sports Global| JD体育 Sports Global有限公司| SBOBET体育登录网址| JD国际体育反波胆,JD体育反波胆APP下载,JD体育反波胆投资官网 | SBOBET登录地址| JD Sports Global反波胆APP下载,JD体育反波胆官网,JD反波胆俱乐部APP下载 | JD体育 Sportbook Taruhanlawan JD体育反波胆|football lay bet | JD体育 Sports Global反波胆APP下载 | 利记sbobet(app)首页登录| JD体育反波胆投资官网,JD国际(反波胆)有限公司,JD反波胆APP下载 JD体育反波胆官网,JD亚洲国际,JD国际(反波胆)有限公司 | JD Sports Global有限公司,JD亚洲国际体育反波胆,JD Sportbook Taruhanlawan | JD体育官网-JD Sports Global | JD体育俱乐部国际| JD Sports Global,JD体育反波胆投资官网,JD体育反波胆平台入口 |